SVG Parallel Operation Test via CAN Communication
This test aimed to verify the performance and stability of multiple SVG (Static Var Generator) units operating in parallel via CAN communication when internal CTs are not used. Specifically, eight SVG modules were tested to evaluate their operation, communication reliability, and reactive power compensation consistency under CAN-based synchronization.
Standard: DLT1216-2019 Technical Specification for Low-Voltage Static Var Generators
External CT: Installed on the power supply side, ratio 250:5
Internal CT: Communicated via CAN bus
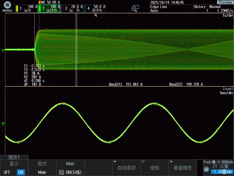
Oscilloscope Signals:
Yellow: Harmonic load current
Green: Total output current of all modules
The CAN communication utilized IDs 10000001 to 10000008, covering all eight units, with a baud rate of 500 kbps.
The system was tested with reactive current varying from 0 A to +150 A. All modules demonstrated smooth and synchronized compensation transitions, maintaining stable operation without current oscillation or communication delay.


The system was tested with reactive current varying from 0 A to -150A.


The total single-phase load current was 150 A. The theoretical output per SVG was 18.75 A per phase.
The measured data are as follows:
| Module | Phase A (A) | Phase B (A) | Phase C (A) | Notes |
|---|---|---|---|---|
| 1 | 17.8 | 17.7 | 17.8 | Stable |
| 2 | 17.8 | 18.0 | 17.9 |
The single-phase output current of the load is 150A, and the theoretical single-phase output of a single SVG is 18.75A. |
| 3 | 17.8 | 17.9 | 17.9 | |
| 4 | 17.8 | 17.9 | 19.0 |
The current-sharing performance between the modules remained consistent, with deviations within acceptable tolerance limits, confirming effective load balancing across the parallel SVG network.
The SVG system demonstrated reliable parallel operation through CAN communication, achieving accurate reactive current control and balanced current sharing among modules.
This result validates that CAN-based coordination can effectively replace internal CT synchronization for multi-unit SVG setups, offering flexibility, scalability, and reduced wiring complexity in practical engineering applications.
For more information, please contact engineer David on WhatsApp at+86 18917353780
Subscribe to us to enjoy event prices and get some of the best prices.
IPv6 network supported